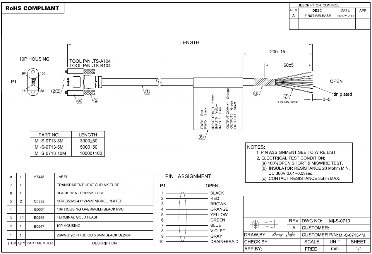
This digital I/O and power cable is used for Power supply (12V) and IO trigger to camera aux connector (Samtec ISDF-05-D connector 10-Pin).
Product Name | Dalsa Genie Nano flying lead I/O cable with locking screws for industrial cameras |
Material | PVC, copper |
Function | machine vision industrial cameras |
Package | Plastic ziplock bag per piece, corrugated box per batch. |

Dalsa Genie Nano flying lead I/O cable with locking screws for industrial cameras

Product usage introduction

